- HOME
- FPGA開発に モデルベースデザインを持ち込んだ結果
設計 モデルベース開発ソリューション
FPGA開発にモデルベースデザインを持ち込んだ結果
FPGA開発というと、HDLを手書きし、実機での評価を重ねながら少しずつ動作を詰めていく――そんな開発スタイルを思い浮かべる方も多いのではないでしょうか。一方で近年、MATLAB® / Simulink® を中心としたモデルベースデザイン(MBD)の考え方を、FPGA設計へ展開する取り組みも増えてきています。
本記事では、MATLAB® / Simulink®を中核としたモデルベース開発環境に、Fixed-Point Designer、HDL Coder などを組み合わせ、FPGA開発へ展開した事例をもとに、
- どのような考え方で設計を進めたのか
- 自動生成を活かすうえで意識したポイント
- モデルベースデザインが実務にもたらした価値
を、実務者目線で紹介します。
目次
なぜFPGA開発にモデルベースデザインを持ち込んだのか
今回の取り組みは、最初からFPGA開発を目的に始まったものではありません。
もともとは制御系・電力変換系の開発において、
- 実機が完成するまで挙動の確認が難しい
- 仕様変更の影響範囲が見えにくい
- ハード完成待ちで検証が止まる
といった課題を背景に、MBDが採用されていました。
モデル上で設計・シミュレーションを行うことで、設計意図や動作を早い段階で可視化できる点が評価されていたためです。その流れの中で、「この設計資産をFPGA設計にも展開できないか」という検討が始まり、今回の取り組みにつながっています。
採用した開発環境と全体構成
MBDの取り組みは、最初から現在の構成だったわけではありません。段階的に開発環境を構築・拡張してきた点が、今回の事例の特徴です。
3.1.初期に構築したモデルベース開発環境
初期段階では、MATLAB® / Simulink®を中心に、
- モデル作成
- シミュレーション
- 組込み向けコード生成
を行う、標準的なモデルベース開発環境を構築しました。
この環境により、
- 制御ロジックをモデルとして可視化
- 実機前に挙動を確認
- 設計内容を関係者間で共有
といった効果を得ることができました。(以下は「当時のツール構成例」です。バージョン表記は世代感を示すためのもので、特定バージョンの優劣を示すものではありません。)

| 初期のツール構成例 | |
|---|---|
| モデル作成 | MATLAB/Simlink(MathWorks) |
| シュミレーション環境 | 国内製の回路シミュレータ |
| モデルからのコード生成 | 量産コード生成専用のツール |
3.2. FPGA展開を見据えて拡張した現在の開発環境
その後、FPGA設計への展開を視野に入れ、MBD開発環境を段階的に拡張しました。
現在の構成では、
- lSimscape による高精度なシミュレーション
- lEmbedded Coder による量産コード生成
- lFixed-Point Designer を用いた固定小数点設計
- lHDL Coder / HDL Verifier によるFPGA設計・検証
を組み合わせ、モデルから実装までを一貫して扱える環境としています。(以下はFPGA展開を見据えた現在のツール構成例」です。バージョン表記は世代感を示すためのもので、特定バージョンの優劣を示すものではありません。)
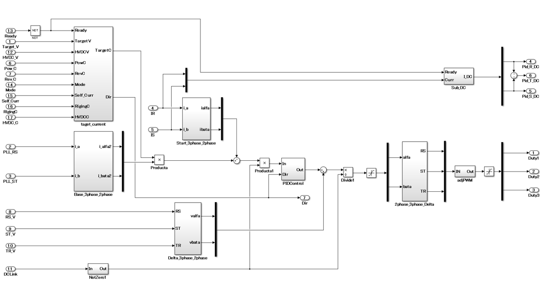
モデルをFPGAへ展開する際の基本的な考え方
MBDをFPGA設計へ展開する際に重要なのは、「モデルをそのままHDLに変換すること」を目的にしないことです。
FPGAでは、
- メモリサイズ
- 処理時間(スイッチング周期)
- 並列性とリソース配分
といった制約が強く効きます。そのためモデルは、「動作を表現できること」だけでなく、ハードウェア実装を前提に整理された構造である必要があります。


自動生成と設計判断の関係(FPGA実装を見据えた最適化)
HDL Coder や Embedded Coder による自動生成は、FPGA設計において非常に有効な手段です。
一方で実際に適用してみると、
- 要求性能に対してモデル構造の見直しが必要になる
- メモリや処理周期を意識した調整が必要になる
といった場面もありました。
これはツールの問題ではなく、FPGA設計における要求条件を、どの段階でモデルに織り込むかという設計判断の話です。MBDでは、こうした最適化を「後工程」ではなく「モデル設計の段階」で行えること自体が、大きな利点だと捉えています。
設計の見直しでは、ツール設定に依存するのではなく、モデル構造そのものに着目しました。
- 処理を分解し、モデルを簡潔に保つ
- Fixed-Point化を前提に精度とリソースのバランスを検討
- FPGA実装に不要な汎用性を持たせすぎない
結果として、「モデルを書く=設計を決める」という意識がより強くなりました。

シミュレーションがもたらした実務的な効果
MBDの大きな価値は、実機に載せる前に設計の検証を十分に行える点です。
- ハード完成前でも検証を進められる
- 実機投入時の不安が大きく減る
- 開発を並行して進めやすくなる
今回の取り組みは、主に制御系・電力変換系を中心に適用しています。
一方で、
- 既存資産が十分に蓄積されている領域
- 投資対効果が見合わないケース
については、あえてMBDを適用していません。設計投資として意味があるかを重視しています。MBDは、単純な工数削減を目的とした手法ではありません。
一方で、
- 設計意図の可視化
- 検証の前倒し
- 設計資産の再利用
といった点において、中長期的な価値を発揮する開発手法だと感じています。
本事例を通じて、MBDのメリットは次のように整理できます。
- 設計の正解に早くたどり着ける
- FPGA実装前にリスクを顕在化できる
- HW/SW/FPGAを跨いだ議論がしやすい
- 設計資産として再利用しやすい
MATLAB® / Simulink®を中心としたMBD環境は、こうしたメリットを設計プロセス全体で活かせる点に価値があります。
東京エレクトロンデバイスが提供するモデルベースデザイン開発支援
東京エレクトロンデバイスでは、MBDを「ツール導入」ではなく「設計手法」として活用する受託開発支援を行っています。
- 適用可否の技術相談
- モデル構造の設計・整理
- Fixed-Point設計方針の策定
- FPGA制約を踏まえたモデル最適化
- 量産・実装を見据えた受託開発
「自社案件に適用できるか分からない」、「どこまで外部に任せられるか相談したい」
といった段階でも、技術相談としてお声がけいただけます。

